Pentavalent Standard ( motor only )

MOTORS WITH SCREENED POLES
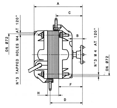
The multi-purpose version motors have bedplate feet spaced at 18 mm and 26 mm and 3 holes with M4 thread, arranged at 120° on both the front and back covers. The electrical connection uses a three-pole cable (2P+E) – 600 mm long. The models shown are usually available from stock.

1300/1500 rpm.

 

USES (fields of application):

Refrigerated counters and/or freezing systems.

 

Data plate details: Voltage 220/240V, Frequency 50/60 Hz

 

(*) VDE: Motor type approved by the German body as conforming to international standards EN 60-335.1 and EN 60-335.2.24

for tropical environments up to 43°C.

+ Show More

- Show Less

General catalogue - Find out more