Universal motor

DESCRIPTION
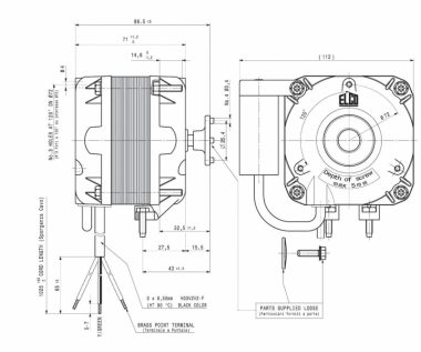
2-pole motor with capacitor, 18/62 Watt, 230/240V, 50/60 Hz 0.27 Amp, 2.600 rpm, capacitor 2 μf, class B.

USES
Refrigerated counters, refrigeration circuit evaporators, cooling circuits for industrial machines, and condensation circuits.

+ Show More

- Show Less

General catalogue - Find out more