Serie G2E - EBM PAPST®
CODICI 0401250 – 0401251 – 0401252 – 0401253
Ventilatori monoaspirazione utilizzati per stufe, termoventilanti, piccoli elettrodomestici, raffreddamento di macchinari in genere.
| MODELLO | V | Hz | MC/H | RPM | W | A | mF | dB | CODICE FAET |
| G2E085AA0101 | 230 | 50 | 80 | 2350 | 32 | 0.15 | 1 | 53 | 0401250 |
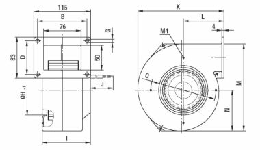
| MODELLO | V | Hz | MC/H | RPM | W | A | mF | dB | B | D | G | H | I | J | K | L | M | N | O | CODICE FAET |
| G2E180AG6301 | 230 | 50 | 155 | 1850 | 30/35 | 0.16 | 1 | 54 | 97 | 66 | 8 | 87 | 82 | 300 | 159 | 79 | 168 | 71 | 118 | 0401251 |
| G2E120AR7701 | 230 | 50 | 265 | 2350 | 80 | 0.35 | 2 | 61 | 100 | 68 | 7 | 100 | 98 | 450 | 178 | 82 | 184 | 86 | 132 | 0401252 |
| MODELLO | V | Hz | MC/H | RPM | W | A | mF | dB | CODICE FAET |
| G2E140AI2801 | 230 | 50 | 485 | 2400 | 160 | 0.70 | 4 | 72 | 0401253 |
CODICI 0401254 – 0401255 – 0401256
Semplice aspirazione con pale avanti.
Ventilatori per impieghi generici, portate d'aria da 80 a 485 mc/h, motori monofase e trifase, con rotore esterno 2 poli con condensatore permanente.
Girante costruita in metallo, chiocciola in alluminio pressofuso ad eccezione del modello NS che è in nylon caricato vetro.
| MODELLO | V | HZ | MC/H | RPM | W | A | mF | dB | H | I | L | O | COCLEA | CODICE FAET |
| G2E160AY4701 | 230 | 50 | 600 | 2100 | 240 | 1.05 | 6 | 72 | 130 | 100 | 103 | 175 | ALLUMINIO | 0401254 |
| G2D160AF0201 | 400 | 50 | 690 | 2300 | 320 | 0.5 | – | 76 | 130 | 100 | 103 | 175 | ALLUMINIO | 0401255 |
| MODELLO | V | HZ | MC/H | RPM | W | A | mF | dB | COCLEA | CODICE FAET |
| G2E140NS3801 | 230 | 50 | 370 | 1650 | 105 | 0.46 | 2 | 59 | PLASTICA | 0401256 |
NB: 0401254 ERP2013