Motori per ventole tangenziali serie MT
DESCRIZIONE
Motori per ventole tangenziali, rotazione oraria e antioraria, diverse misure e potenze.
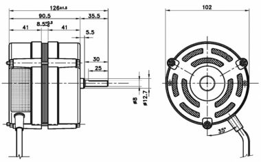
SERIE MT TONDO
| CODICE FAET | MODELLO | V/HZ | RPM | W | A | mF | N° VELOCITA' | SENSO ROTAZIONE VISTA LATO ALBERO |
| 0402404 | 103M/3030/01 | 230/50 | 1100 | 30/85 | 0.35 | 1.5 | 3 | ORARIO DX |
| 0402405 | 103M-3030/1 | 230/50 | 1100 | 30/85 | 0.5 | 1.5 | 3 | ANTIORARIO SX |
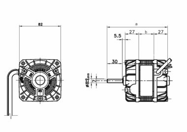
SERIE MT QUADRATO
| CODICE FAET | MODELLO | V/HZ | RPM | W | A | mF | N° VELOCITA' | A | B | SENSO ROTAZIONE VISTA LATO ALBERO |
| 0402406 | 83M-3-3010/01 | 230/50 | 1100 | 10/40 | 0.16 | 1.5 | 3 | 128 | 30 | ORARIO DX |
| 0402407 | 83M-3-3010/1 | 230/50 | 1100 | 10/40 | 0.16 | 1.5 | 3 | 128 | 30 | ANTIORARIO SX |