Estrattore fumi

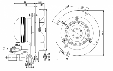
R2E180-CG82-01

 

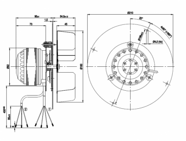
R2E150-AN91-22
Specifici per combustibili solidi

+ Leggi di più

- Riduci

Catalogo generale - Scopri di più