Ventilatori Centrifughi standard

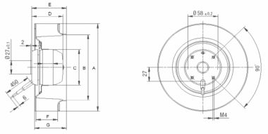
Ventilatori centrifughi ad aspirazione semplice con pale rovesce.

+ Leggi di più

- Riduci

Catalogo generale - Scopri di più