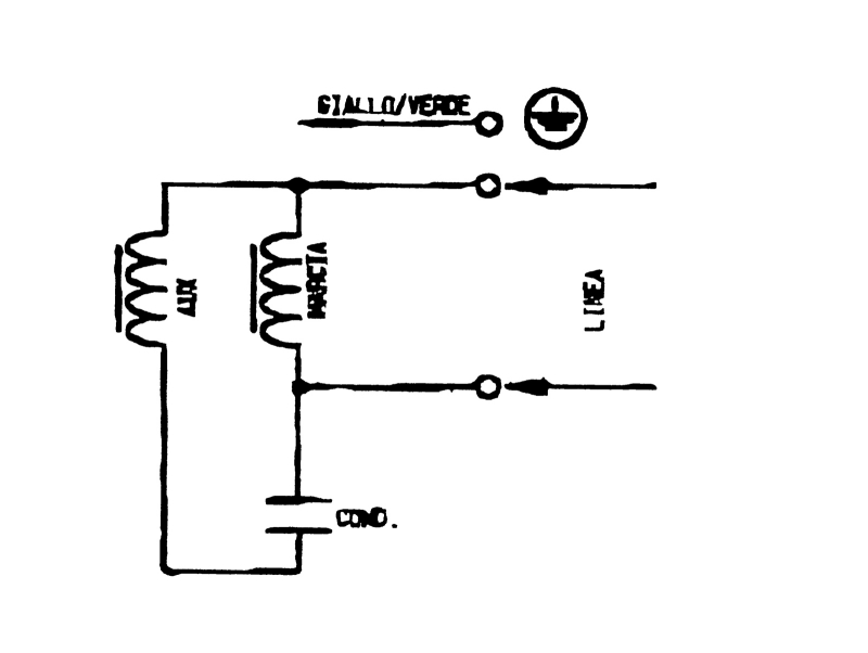
MOTORE CON BRACCI DD 10/8 6P 245 W.

CODICE FAET
0402162
DESCRIZIONE
MOTORE CON BRACCI DD 10/8 6P 245 W.
MODELLO
DD 10/8
POTENZA W.
245
ALIMENTAZIONE.
MONOFASE
N° POLI
6
GIRI MIN.
850
CORRENTE A
2,1/2,6
COND. µF
8
C
225
L
172
H
75
PREZZO AL PZ.
376,86
Scheda tecnica