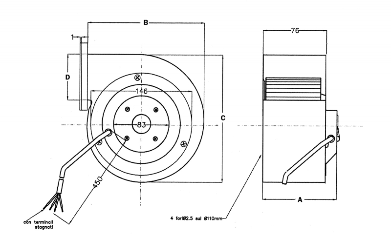
VENT ECOFIT 4GRE25 160X62R-N0562

CODICE FAET
0412109
MODELLO
POLI
4
V
230
Hz
50/60
A
0,31/0,39
W
70/90
µF
2/2
m3/h
410/445
Pa
155/230
rpm
1280/1400
dB(A)
51/54
PREZZO
308,00
Scheda tecnica