VENTILATORI PENTAVALENTI 25 A

CODICE FAET
Z000205
DESCRIZIONE
VENTILATORI PENTAVALENTI 25 A
POTENZA W OUT
25
CONSUMO A
0,56
PROTEZIONE
TERMOSTATO
OMOLOGAZIONE (*)
VDE/CE
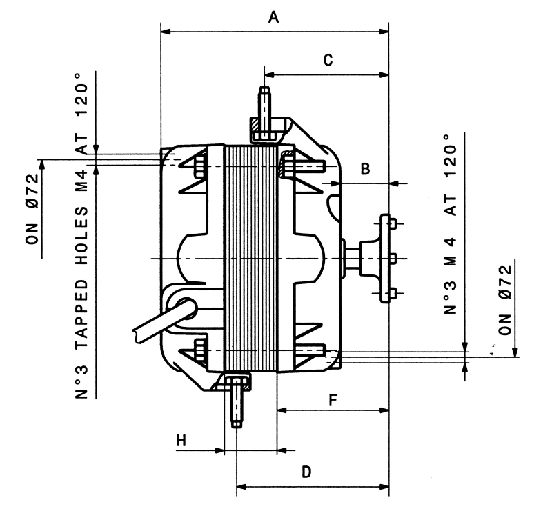
DIMENSIONI H (MM)
40
DIMENSIONI A (MM)
118
DIMENSIONI C (MM)
69
DIMENSIONI D (MM)
88
PREZZO AL PZ
73,50
Scheda tecnica